IGBT 元器件百科 IGBT结构下图所示为一个N沟道增强型绝缘栅双极晶体管结构,N+区称为源区,附于其上的电极称为源极。P+区称为漏区。器件的控制区为栅区,附于其上的电极称为栅极。沟道在紧靠栅区边界形成。在漏、源之间的P型区(包括P+和P一区)(沟道在该区域形成),称为亚沟道区(Subchannelregion)。而在漏区另一侧的P+区称为漏注入区(Draininjector),它是IGBT特有的功能区,与漏区和亚沟 芯城品牌采购网 2025-11-04 18888 IGBT
315m无线发射接收模块 元器件百科 315m无线发射接收模块参数介绍静态电流:≤0.1UA发射电流:2~10MA工作电压:DC3~12V数据发射模块的工作频率为315M,采用声表谐振器SAW稳频,频率稳定度极高,当环境温度在-25~+85度之间变化时,频飘仅为3ppm/度。特别适合多发一收无线遥控及数据传输系统。声表谐振器的频率稳定度仅次于晶体,而一般的LC振荡器频率稳定度及一致性较差,即使采用高品质微调电容,温差变化及振动也很难保 芯城品牌采购网 2025-11-04 11609 无线发射接收模块
FRAM 元器件百科 FRAM优势与传统存储器相比,FRAM具有下列优势:非易失性即使没有上电,也可以保存所存储的信息。与SRAM相比,无需后备电池(环保产品)更高速度写入像SRAM一样,可覆盖写入不要求改写命令对于擦/写操作,无等待时间写入循环时间=读取循环时间写入时间:E2PROM的1/30,000具有更高的读写耐久性确保最大1012次循环(100万亿循环)/位的耐久力耐久性:超过100万次的E2PROM具有更低的 芯城品牌采购网 2025-11-04 10754 FRAM
32768晶振 元器件百科 32768晶振参数种类:晶振标称频率:供应贴片晶振32768(MHz)MHz调整频差:供应贴片晶振32768(MHz)MHz温度频差:供应贴片晶振32768(MHz)MHz总频差:供应贴片晶振32768(MHz)MHz负载电容:20(pF)pF负载谐振电阻:60(Ω)Ω激励电平:1(mW)mW基准温度:-40-85(℃)℃插入损耗:1(dB)dB阻带衰减:1(dB)dB输入阻抗:1(kΩ)kΩ输出 芯城品牌采购网 2025-11-04 15755 32768晶振
EDGE 元器件百科 EDGE概述随着移动数据业务快速发展,现有的通用分组无线业务(GPRS)网络已无法满足日益增长的高速数据通信的要求,加之中国3G牌照发放时间迟迟不能确定,使增强型数据速率GSM演进(EDGE)技术得到越来越多的关注。国内GSM运营商也开始部署EDGE网络,并将其视为3G建网前夜对数据业务有效补充的主要手段。文章就目前EDGE发展现状及存在问题,结合实例进行分析,为后期EDGE大规模商用和网络平滑升 芯城品牌采购网 2025-11-04 15221
无源电阻 元器件百科 无源电阻简介无源电阻是指电路中不需要外部电源或信号源来控制电阻值的电阻器件。它是电子电路中常见的被动元件之一,通常用于限制电流、分压、滤波等应用。根据无源电阻的材料和结构,可以将其分为金属膜电阻和炭层电阻。金属膜电阻是在绝缘基板上涂覆一层金属膜,通过切割或蚀刻的方式形成电阻器件。炭层电阻是在绝缘基板上涂覆一层炭层,通过烧结或蚀刻的方式形成电阻器件。无源电阻具有稳定性高、频率响应宽、尺寸小、成本低廉 芯城品牌采购网 2025-11-04 19150 电阻
32.768KHZ晶振 元器件百科 32.768KHZ晶振简介32.768KHZ是一个很有意义的数字,我们每天都要用到它,它给我们带来太多的好处。只是生活中太少有人去关注了,只关注着它给我们带来的演变数字。32.768khz比较容易分频以便于产生1秒的时钟频率,因为32.768KHZ等于2的15次方。我们每天用的手表、手机、电脑上显示作用的钟就是由它演变过来的。32.768KHZ是一个标准的频率,晶振频率的应用主要有以下几个方面的参 芯城品牌采购网 2025-11-04 12746 晶振
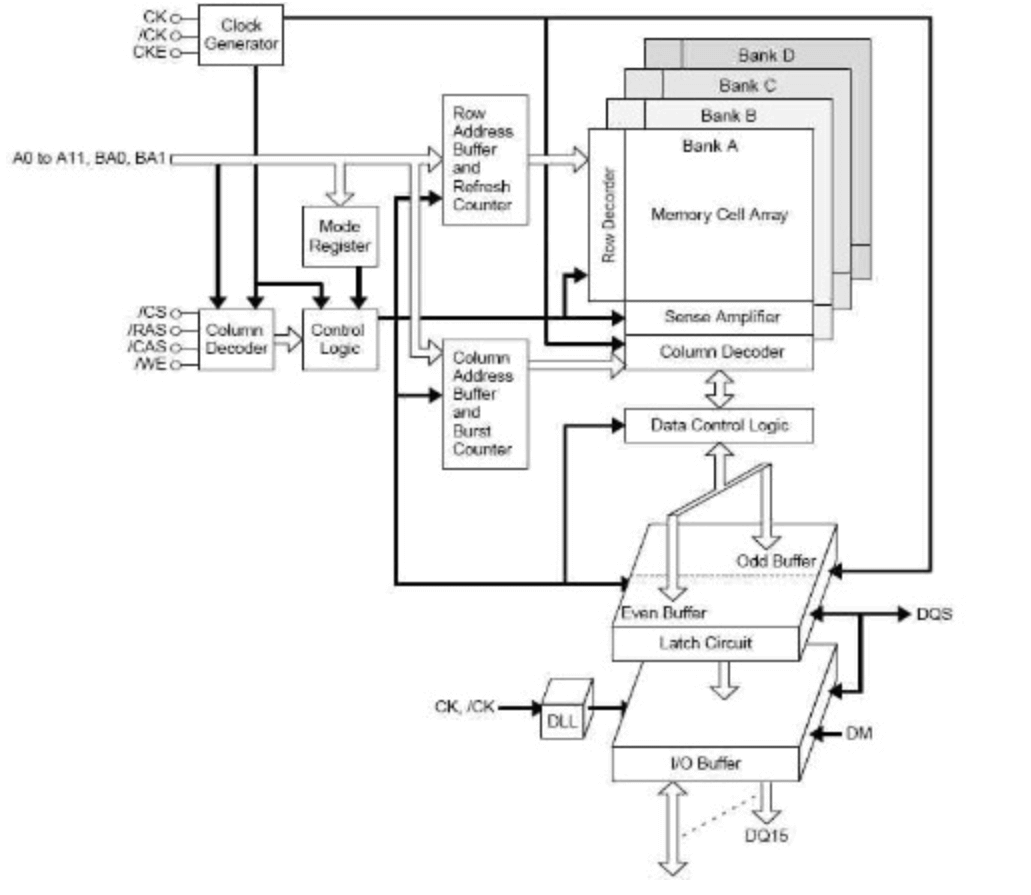
DDRSDRAM 元器件百科 DDRSDRAM简介DDR内存是更先进的SDRAM。SDRAM只在时钟周期的上升沿传输指令、地址和数据。而DDR内存的数据线有特殊的电路,可以让它在时钟的上、下沿都传输数据。所以DDR在每个时钟周期可以传输两个数据,而SDRAM只能传输一个数据。举例来说,DDR266能提供266MHz×2×4B=2.1GB/s的内存带宽。另外,由于它是基于SDRAM的设计制造技术,因此厂房、流水线等设备的更新成本 芯城品牌采购网 2025-11-04 12044 DDRSDRAM
卧式投影仪 元器件百科 卧式投影仪原理卧式投影仪主要用来对复杂形状工件进行测量,如成型刀具、样板、仪表零件、凸轮、电子元件的轮廓形状和表面尺寸等。应用光切法(见表面粗糙度测量)测量的投影仪还可测量汽轮机叶片等的剖面几何形状。卧式投影仪一般采用透射式光学投影系统,但也有带有反射式光学投影系统的。前者主要用于测量薄工件的轮廓尺寸;后者主要用于测量工件端面上的形状和尺寸等。投影仪除了有光学投影系统外,还有类似工具显微镜那样的坐 芯城品牌采购网 2025-11-04 18233 投影仪
4-20mA信号编码器 元器件百科 4-20mA信号编码器特点编码器系列BEN编码器4-20mA信号具有非常优秀的抗冲击性和抗震性,防护等级高达IP67。机械上安装有多种法兰可以满足客户不同需求。电气输出接口有4~20mA和RS485自由协议供选择软件设定地址,对应值,0-360度对应4-20mA无死区多用途、多功能直接对应单圈角度、长度,转动平移速度测量。方向设定;外部置位功能;线设定预设位置,安装方便。无需找零,内部有BESM5 芯城品牌采购网 2025-11-04 15222 信号编码器
DTU数传模块 元器件百科 DTU数传模块核心功能(1)内部集成TCP/IP协议栈GPRSDTU内部封装了PPP拨号协议以及TCP/IP协议栈并且具有嵌入式操作系统,从硬件上,它可看作是嵌入式PC与无线GPRSMODEM的结合;它具备GPRS拨号上网以及TCP/IP数据通信的功能。(2)提供串口数据双向转换功能GPRSDTU提供了串行通信接口,包括RS232,RS485,RS422等都属于常用的串行通信方式,而且GPRSDT 芯城品牌采购网 2025-11-04 9007 DTU模块
4G路由器 元器件百科 4G路由器概述4G路由器是一款工业物联网高速路由器,全线兼容4G/3.5G/3G/2.5G网路,旗舰级配置、VPN链接、工业级防护、宽温设计,可轻松组建高速、稳定的无线传输网络,利用公用LTE网络为用户提供无线长距离数据传输功能。4G路由器采用高性能的工业级32位通信处理器和工业级无线模块,以嵌入式实时操作系统为软件支撑平台,同时提供1个RS232(或RS485/RS422)、以太网LAN,以太网 芯城品牌采购网 2025-11-04 15960 4G路由器
CF存储卡 元器件百科 CF存储卡分类从封装方式上来看,CF存储卡可分为I型和II型,从外观上看,CFTypeI与TypeII差不多,两者均基于普通的50针接口设计,只不过在厚度上有所区别,TypeII型CF卡大约是TypeI的两倍厚。只支持CFTYPEI的插槽无法使用CFTYPEII型卡,但是使用CFTYPEII的插槽可以兼容CFTYPEI和CFTYPEII。CF存储卡使用我们在使用CF卡的时候,会因为对CF的许多技术 芯城品牌采购网 2025-11-04 13699 CF存储卡
EPS电源 元器件百科 EPS电源原理其原理为:在市电正常时,由市电经过输出切换装置给重要负荷供电,同时充电器为蓄电池进行充电或浮充;当市电断电后或电压超出供电范围,控制器启动逆变器,同时输出切换装置将市电供电状态立即切换到逆变器供电,为负荷设备提供应急供电;当市电恢复时,应急电源将恢复为市电供电。EPS是以解决应急照明、事故照明、消防设施等一级负荷供电设备为主要目标,提供一种符合消防规范的具有独立回路的应急供电系统,该 芯城品牌采购网 2025-11-04 9414 EPS电源
433m无线模块 元器件百科 433m无线模块超再生指标超再生接收模块的体积:30x13x8毫米主要技术指标:1、通讯方式:调幅AM2、工作频率:315MHz/433MHz3、频率稳定度:±200kHz4、接收灵敏度:-106dBm5、静态电流:≤5mA6、工作电流:≤5mA7、工作电压:DC5V8、输出方式:TTL电平接收模块的工作电压为5伏,静态电流4毫安,它为超再生接收电路,接收灵敏度为-105dbm,接收天线最好为25 芯城品牌采购网 2025-11-04 14123 无线模块
IDE 元器件百科 IDE概述IDE这一接口技术从诞生至今就一直在不断发展,性能也不断的提高,其拥有的价格低廉,兼容性强的特点,为其造就了其它类型硬盘无法替代的地位。一般每个主板上有两个IDE接口(IDE1和IDE2).每个接口可以分别接两个硬盘或者两个光驱。在机箱内主板上连接硬盘和光驱的接口就是IDE接口。所以IDE通道就是用来管理硬盘读写的通道(或者是光驱)。IDE优缺点IDE接口优点:价格低廉兼容性强性价比高I 芯城品牌采购网 2025-11-04 12813 IDE
CRT 元器件百科 CRT工作原理CRT是由一个显示屏和一个电子枪组成的。电子枪通过加速电子束,将它们聚焦在屏幕上形成点状的亮点,这些亮点可以组成文字、图像或视频。CRT内部有一个阴极,当阴极加电时,它会向外发射出一些电子,这些电子通过加速电场及聚束电场,沿着准确定义的路径飞行。在飞行途中,电子束经过一个偏转系统,可以控制电子束到达屏幕上的位置,从而形成所需的图像。CRT的显示效果主要受到三个重要参数的影响,即阴极电 芯城品牌采购网 2025-11-04 12388 CRT
CRC 元器件百科 CRC标准在国际标准中,根据生成多项式G(x)的不同,CRC又可分为以下几种标准:①CRC-12码:G(x)=X12+X11+X3+X2+X+1②CRC-16码:G(x)=X16+X15+X2+1③CRC-CCITT码:G(x)=X16+X12+X5+1④CRC-32码:G(x)=X32+X26+X23+X22+X16+X12+X11+X10+X8+X7+X5+X4+X2+X1+X+1CRC-12 芯城品牌采购网 2025-11-04 15627 CRC
DDR存储器 元器件百科 DDR存储器工作原理SDRAM在一个时钟周期内只传输一次数据,它是在时钟的上升期进行数据传输;而DDR内存则是一个时钟周期内传输两次数据,它能够在时钟的上升期和下降期各传输一次数据,因此称为双倍速率同步动态随机存储器。DDR内存可以在与SDRAM相同的总线频率下达到更高的数据传输率。DDR存储器内存频率DDR内存频率是DDR内存频率是指内存模块从内存控制器接收和发送数据的速率,常见的DDR内存频率 芯城品牌采购网 2025-11-04 13932 DDR存储器
APU 元器件百科 APU优势CPU和GPU各有所长。一般而言,CPU擅长处理不规则数据结构和不可预测的存取模式,以及递归算法、分支密集型代码和单线程程序。这类程序任务拥有复杂的指令调度、循环、分支、逻辑判断以及执行等步骤。例如,操作系统、文字处理、交互性应用的除错、通用计算、系统控制和虚拟化技术等系统软件和通用应用程序等等。而GPU擅于处理规则数据结构和可预测存取模式。例如,光影处理、3D坐标变换、油气勘探、金融分 芯城品牌采购网 2025-11-04 12908 APU
DDS信号发生器 元器件百科 DDS信号发生器简介DDS信号发生器采用直接数字频率合成(DirectDigitalSynthesis,简称DDS)技术,把信号发生器的频率稳定度、准确度提高到与基准频率相同的水平,并且可以在很宽的频率范围内进行精细的频率调节。采用这种方法设计的信号源可工作于调制状态,可对输出电平进行调节,也可输出各种波形。DDS信号发生器典型产品一个完整周期的函数波形被存储在上面所示的存储器查找表中。相位累加器 芯城品牌采购网 2025-11-04 16242 DDS信号发生器
单片机 元器件百科 单片机特点(1)集成度高、体积小。单片机将CPU、存储器、I/O接口等各种功能部件集成在一块晶体芯片上,体积小,节省空间。能灵活,方便地应用于各种智能化的控制设备和仪器,实现机电一体化。(2)可靠性高,抗干扰性强。单片机把各种功能部件集成在一块芯片上,内部采用总线结构,减少了各芯片之间的连线,大大提高了单片机的可靠性与抗干扰能力。另外,其体积小,对于强磁场环境易于采取屏蔽措施,适合在恶劣环境下工作 芯城品牌采购网 2025-11-04 14386 单片机
3D内存芯片 元器件百科 3D内存芯片效能由于在存储芯片堆叠时使用了IBM的TSV(through-siliconvia;过孔硅)技术,相同面积的芯片将获得10倍于传统芯片的存储容量。与此同时,由于采用了某些内建机制,传输数据消耗的能量将减少70%,传输速度也将提升到标准DDR3芯片的15倍左右。现有产品原型的带宽就已高达128GB/s,为高端DDR3闪存传输速度的10倍,最终成品还会更高。3D内存芯片市场HMC的特性将为 芯城品牌采购网 2025-11-04 12279 内存芯片
avr单片机 元器件百科 avr单片机结构分类AVR单片机型号标识⒈型号紧跟的字母,表示电压工作范围。带“V”:1.8-5.5V;若缺省,不带“V”:2.7-5.5V。例:ATmega48-20AU,不带“V”表示工作电压为2.7-5.5V。⒉后缀的数字部分,表示支持的最高系统时钟。例:ATmega48-20AU,“20”表示可支持最高为20MHZ的系统时钟。⒊后缀第一(第二)个字母,表示封装。“P”:DIP封装,“A”: 芯城品牌采购网 2025-11-04 16482 avr单片机
DSP 元器件百科 dsp分类DSP芯片可以按照以下2种方式进行分类。1.按用途分:通用和专用按照DSP芯片的用途来分,可分为通用型DSP芯片和专用型DSP芯片。通用型DSP芯片适合普通的DSP应用,如TI公司的一系列DSP芯片。专用型DSP芯片是为特定的DSP运算而设计的,更适合特殊的运算,如数字滤波,卷积和FFT等。2.按数据格式分:定点和浮点根据DSP芯片工作的数据格式可分为定点DSP芯片与浮点DSP芯片。即数 芯城品牌采购网 2025-11-04 16964 DSP
CPLD 元器件百科 CPLD规模CPLD中的逻辑块类似于一个小规模PLD,通常一个逻辑块包含4~20个宏单元,每个宏单元一般由乘积项阵列、乘积项分配和可编程寄存器构成。每个宏单元有多种配置方式,各宏单元也可级联使用,因此可实现较复杂组合逻辑和时序逻辑功能。对集成度较高的CPLD,通常还提供了带片内RAM/ROM的嵌入阵列块。可编程互连通道主要提供逻辑块、宏单元、输入/输出引脚间的互连网络。输入/输出块(I/O块)提供 芯城品牌采购网 2025-11-04 9468 CPLD
Android系统 元器件百科 Android系统优势1开放性谷歌与开放手机联盟合作开发了Android,这个联盟由包括中国移动、摩托罗拉、高通、宏达和T-Mobile在内的30多家技术和无线应用的领军企业组成。Android是一个真正意义上的开放性移动设备综合平台。通过与运营商、设备制造商、开发商和其他有关各方结成深层次的合作伙伴关系,来建立标准化、开放式的移动电话软件平台,在移动产业内形成一个开放式的生态系统,这样应用之间的 芯城品牌采购网 2025-11-04 10072 Android系统
DSP图像采集系统 元器件百科 DSP图像采集系统基本结构1.信号采集部分它主要是将生物特征信号转化成数字信号传给系统。它可能是图像信号,如虹膜图像、掌纹图像、指纹图像,也可能是采样信号,如采样人的语音。但在大多数生物识别系统中信号采集部分转化出来都是图像信号。本章介绍的也是基于图像信号采集的识别系统。2.处理部分处理部分通常是一个高性能的CPU。它是整个生物识别系统的核心。它/不仅仪要完成对数据的运算、处理和存储,还要实现对整 芯城品牌采购网 2025-11-04 8973 DSP图像采集系统
CDMA模块 元器件百科 CDMA模块应用CDMA模块成功用于手机、智能电话、PCMCIA卡、USB调制解调器、FWT(无线接入终端)、无线公话、WLL电话、无线POS、GPS产品和遥感勘测等多种不同的应用。产品可支持BREW、对讲机(PTT)、MP3、USB、照相机、彩屏、GPSone、MMS(多媒体短信),放/录音、texttovoice(文本到语音)、语音识别、电子邮件和WAP。CDMA模块典型应用1PDA类应用PD 芯城品牌采购网 2025-11-04 16458 CDMA模块
4G 元器件百科 4G概念4G描述了下列两种不同但有所重叠的概念:高速的行动电话网络,速度如同计算机网络ADSL的频宽,一秒能达10Mbit/s或更多。此概念曾被用来描述在无线网络上,如Wi-Fi。也是目前成功的3G系统提供商所提出来的愿景。无限网络(PervasiveNetwork)技术,一个比较抽象的说法是「弥漫型」、「无定型」、「整体」的无线技术,让用户完全融入系统当中。有可能会利用Wi-Fi或其它未来会导入 芯城品牌采购网 2025-11-04 12523 4G
CSP封装 元器件百科 CSP封装概述在BGA技术开始推广的同时,另外一种从BGA发展来的CSP封装技术正在逐渐展现它生力军本色。作为新一代的芯片封装技术,在BGA、TSOP的基础上,CSP的性能又有了革命性的提升。CSP封装可以让芯片面积与封装面积之比超过1:1.14,已经相当接近1:1的理想情况,绝对尺寸也仅有32平方毫米,约为普通的BGA的1/3,仅仅相当于TSOP内存芯片面积的1/6。与BGA封装相比,同等空间下 芯城品牌采购网 2025-11-04 11250 CSP封装
DC电源 元器件百科 DC电源简介DC电源即直流电源,是维持电路中形成稳恒电流的装置。如干电池、蓄电池、直流发电机等。直流电源有正、负两个电极,正极的电位高,负极的电位低,当两个电极与电路连通后,能够使电路两端之间维持恒定的电位差,从而在外电路中形成由正极到负极的电流。单靠水位高低之差不能维持稳恒的水流,而借助于水泵持续地把水由低处送往高处就能维持一定的水位差而形成稳恒的水流。与此类似,单靠电荷所产生的静电场不能维持稳 芯城品牌采购网 2025-11-04 12424 DC电源
arm单片机 元器件百科 arm单片机优势ARM单片机采用了新型的32位ARM核处理器,使其在指令系统,总线结构,调试技术,功耗以及性价比等方面都超过了传统的51系列单片机,同时arm单片机在芯片内部集成了大量的片内外设,所以功能和可靠性都大大提高。arm单片机应用arm单片机以其体积小、功耗低、集成度和性价比高等优点在各领域得到广泛的应用,主要应用有:汽车导航影音娱乐系统网络浏览运输监控存储设备掌上电脑可视电话arm单片 芯城品牌采购网 2025-11-04 14653 arm单片机
3D封装 元器件百科 3D封装分类一:封装趋势是叠层封(PoP);低产率芯片似乎倾向于PoP。二:多芯片封装(MCP)方法,而高密度和高性能的芯片则倾向于MCP。三:以系统级封装(SiP)技术为主,其中逻辑器件和存储器件都以各自的工艺制造,然后在一个SiP封装内结合在一起。目前的大多数闪存都采用多芯片封装(MCP,MultichipPackage),这种封装,通常把ROM和RAM封装在一块儿。多芯封装(MCP)技术是在 芯城品牌采购网 2025-11-04 15026 封装
CTCS 元器件百科 CTCS分级CTCS根据功能要求和设备配置划分应用等级,分为0~4级。CTCS-0级(简称C0级):由通用机车信号+列车运行监控装置组成,为既有系统,适用于列车最高运行速度为120km/h以下的区段。CTCS-1级(简称C1级):由主体机车信号+安全型运行监控记录装置组成,点式信息作为连续信息的补充,可实现点连式超速防护功能。适用于列车最高运行速度为160km/h以下的区段。CTCS-2级(简称C 芯城品牌采购网 2025-11-04 16028 CTCS
串口转以太网模块 元器件百科 串口转以太网模块定义它串口转以太网模块为您的嵌入式系统通过以太网传输数据提供了快速的解决方案。模块串口支持透传模式。服务器端安装虚拟串口软件后,原有系统不需要任何改动即可完成以太网通讯。串口转以太网模块主要功能接口3.3V供电3.3VTTL电平、支持波特率范围:1200~115200bps支持硬件RTS/CTS流控串口5、6、7、8位数据位、1-2停止位、奇偶校验10M以太网接口网络参数支持802 芯城品牌采购网 2025-11-04 15053 以太网模块
串口联网模块 元器件百科 串口联网模块性能指标(1)数据转发的稳定性:稳定性是串口联网模块的重要的指标。首先需要在各种通信情况下保持连接的稳定。再次要保证不丢失数据,无传输错误。串口联网模块设计,应该能够支持全双工通信下,不间断发送数据时不丢包。这将使得此类模块能够胜任任何流量状况的通信。(2)数据发送――应答时间:该速度表示从从PC端发送数据,经过串口联网模块,转发到设备,设备应答,再经串口联网设备转发,发回PC的时间差 芯城品牌采购网 2025-11-04 12924 联网模块
半导体光放大器 元器件百科 半导体光放大器介绍早在半导体激光器出现时,就开始了对SOA的研究,但由于初期的半导体材料激光放大器偏振灵敏度较高,使得SOA一度沉寂。但近几年来应变量子阱材料的研制成功,克服了偏振敏感的缺点,性能也有许多改进。半导体光放大器的增益可以达到30dB以上,而且在1310nm窗口和1550nm窗口上都能使用。如能使其增益在相应使用波长范围保持平坦,那么它不仅可以作为光放大的一种有益的选择方案,还可促成l 芯城品牌采购网 2025-11-04 12818 半导体放大器
光纤热缩管 元器件百科 光纤热缩管特点1.不影响光纤的光导特性;2.保护接续点,提高机械强度;3.操作简单,降低安装时损伤光纤的危险;4.透明套管,对光纤接续状况一目了然;5.收缩速度快,施工效率高;6.工作温度高,使用范围广;7.密封结构使接续具备良好的耐温度、湿度性能光纤热缩管技术指标光纤热缩管产品规格 芯城品牌采购网 2025-11-04 14188 光纤热缩管
信号隔离器 元器件百科 信号隔离器原理目前,信号隔离(变换)器从隔离方式上主要分为:变压器隔离方式,光电隔离方式和变压器与光电联合隔离方式等几种。信号隔离器至今已有40多年的历史,早期的信号隔离器(如美国MOORE,日本M-SYSTEM等)都是采用变压器隔离方式,它的特点是:性能稳定,寿命长(比如:日本M-SYSTEM公司的M2系列隔离变换器标称的使用寿命长达70年!),带负载能力强,隔离强度高,但电路复杂,制作工艺要求 芯城品牌采购网 2025-11-04 14261 信号隔离器
双极晶体管 元器件百科 双极晶体管介绍双极型晶体管(BipolarJunctionTransistor)双极型晶体管是一种电流控制器件,电子和空穴同时参与导电。同场效应晶体管相比,双极型晶体管开关速度慢,输入阻抗小,功耗大。双极型晶体管体积小、重量轻、耗电少、寿命长、可靠性高,已广泛用于广播、电视、通信、雷达、计算机、自控装置、电子仪器、家用电器等领域,起放大、振荡、开关等作用。晶体管:用不同的掺杂方式在同一个硅片上制造 芯城品牌采购网 2025-11-04 17293 双极晶体管
光子晶体光纤 元器件百科 光子晶体光纤优点(一)光子晶体波导具有优良的弯曲效应。(二)能量传输基本无损失,也不会出现延迟等影响数据传输率的现象。(三)光子晶体制成的光纤具有极宽的传输频带,可全波段传输。光子晶体光纤制备光子晶体光纤的制备方法一般为堆积法。它将普通光纤的拉制过程加以改进提高,并更加严格的控制光纤拉丝塔内的温度和拉制速度。步骤如下:首先设计出光子晶体光纤的基本结构;然后将预先熔融制成的预制棒研磨、钻孔后在光纤塔 芯城品牌采购网 2025-11-04 12454 晶体光纤